Củ phát điện gió Mecc Alte NJORGEN là đầu phát chạy bằng sức gió phù hợp với địa hình vùng núi hoặc các nơi có sức gió mạnh như gần biển, trên núi cao, vùng hoang dã…kích thước nhỏ phù hợp với các ứng dụng gia đình và công nghiệp kinh doanh nhỏ,lẻ.
Chúng tôi sẽ cung cấp cho bạn các thông tin về Củ phát điện gió meccalte với các cấu hình khác nhau như thông tin bên dưới đây:
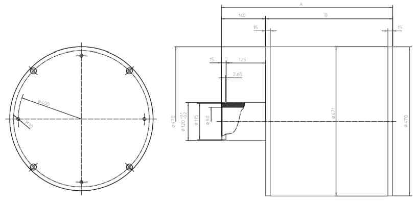
Củ phát điện gió 5kW Mecc Alte NJORGEN 105/34
| Củ phát điện nước 5kW Mecc Alte | Thông tin |
| Công suất định mức | 5 kW |
| Khối lượng | 178 kg |
| Điện áp | 400V |
| Kích thước A | 445 mm |
| Kích thước B | 305 mm |
| Tốc độ quay | 150 rpm (vòng/ phút) |
| Kích thước bạc đạn | 6024 2Z |
| Max Axial load | >2250 kg |
Củ phát điện gió Mecc Alte NJORGEN 210/34
| MeccAlte.com | Thông tin |
| Công suất định mức | 10 kW |
| Khối lượng | 256 kg |
| Điện áp | 400V |
| Kích thước A | 550 mm |
| Kích thước B | 410 mm |
| Tốc độ quay | 150 rpm (vòng/ phút) |
| Kích thước bạc đạn | 6024 2Z |
| Max Axial load | >2250 kg |
Tham khảo: củ phát điện nước
Tham khảo: củ phát điện nam châm vĩnh cửu
Củ phát điện Mecc Alte NJORGEN 315/34
| Mecc Alte | Thông tin |
| Công suất định mức | 15 kW |
| Khối lượng | 332 kg |
| Điện áp | 400V |
| Kích thước A | 655 mm |
| Kích thước B | 515 mm |
| Tốc độ quay | 150 rpm (vòng/ phút) |
| Kích thước bạc đạn | 6024 2Z |
| Max Axial load | >2250 kg |
Củ phát điện gió Mecc Alte NJORGEN 420/34
| Mecc Alte | Thông tin |
| Công suất định mức | 20 kW |
| Khối lượng | 410 kg |
| Điện áp | 400V |
| Kích thước A | 760 mm |
| Kích thước B | 620 mm |
| Tốc độ quay | 150 rpm (vòng/ phút) |
| Kích thước bạc đạn | 6024 2Z |
| Max Axial load | >2250 kg |
MECC ALTE VIỆT NAM
Địa chỉ: Cầu Sài Gòn, Chung cư L4, Khu Vinhomes Tân Cảng, Điện Biên Phủ, Phường 22, Bình Thạnh, Thành phố Hồ Chí Minh.
Trang web: https://cuphatdien.com/
Điện thoại: 0931 004 606
Email: meccaltevn@gmail.com




Đánh giá
Chưa có đánh giá nào.