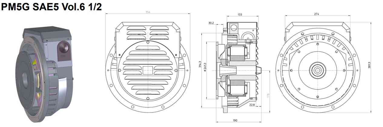
Củ phát điện nam châm vĩnh cửu là một ứng dụng của Mecc Alte tạo ra để làm tối ưu hóa hiệu suất và điện áp ra của đầu phát điện công nghiệp. Ứng dụng này được sử dụng phổ biến cho các cơ sở cần sự ổn định cao. Để tìm hiểu kỹ hơn mời quý vị bạn đọc xem bài viết bên dưới đây.
Sơ bộ về củ phát điện nam châm vĩnh cửu Mecc Alte
Không giống như các hệ thống củ phát điện xoay chiều truyền thống, củ phát điện nam châm vĩnh cửu mang lại những lợi ích đáng kể. Lợi ích vật lý với việc giảm trọng lượng và chiều dài, cùng với lợi ích điện tử, đảm bảo một công nghệ vượt trội được tạo ra để tối đa hóa hiệu quả của hệ thống điện hoàn chỉnh.
Củ phát điện Mecc Alte có bộ lọc EMC sẵn có hoạt động trong hệ thống có biến tần một pha. Độ méo hài rất thấp <2% cho dạng sóng vượt trội, đảm bảo hoạt động an toàn của các thiết bị điện tử nhạy cảm hiện đại.
Mật độ công suất của củ phát điện nam châm được tăng lên nhờ sử dụng công nghệ biến tần, trong đó hệ thống cuộn dây kích từ truyền thống được thay thế và stator là trung tâm với một rotor bên ngoài. Điều này tối đa hóa tiềm năng của các nam châm được sử dụng.
Biến tần tạo ra bộ biến tần sóng sin thuần túy cho các thiết bị điện tử nhạy cảm và được cung cấp kèm theo bảng hiển thị từ xa tùy chọn. Biến tần có một số biện pháp bảo vệ sẵn có như bảo vệ ngắn mạch, bảo vệ quá tải, bảo vệ quá nhiệt và có một cổng dịch vụ tích hợp và đầu nối phụ hỗ trợ CAN.
Tham khảo: Củ phát điện 220v mini
Tham khảo: Củ phát điện gió
Củ phát điện nam châm vĩnh cửu DC – rotor cố định tốc độ
Củ phát điện nam châm vĩnh viễn Fisso DC được thiết kế để cung cấp đèn chuyên dụng trên các tháp chiếu sáng, chẳng hạn như đèn LED hiệu suất cao và có cầu chỉnh lưu tích hợp.
Với hệ thống củ phát điện nam châm vĩnh cửu meccalte, có một số lợi ích đối với các hệ thống AC truyền thống:
- Hệ thống nhỏ gọn hơn
- Hiệu quả cao hơn
- Các tốc độ khác với tốc độ đồng bộ có thể được cố định để tối ưu hóa công suất động cơ, mức tiêu thụ nhiên liệu và đầu ra điện áp
- Mật độ công suất cao giảm trọng lượng (cả củ phát điện và động cơ)
- Tăng độ tin cậy của hệ thống loại bỏ các cuộn dây kích từ truyền thống
Củ phát điện nam châm vĩnh cửu DC – rotor thay đổi tốc độ
Bộ điều khiển củ phát điện Mecc Alte kiểm soát tốc độ (MEC) 12-75 VDC điều chỉnh nhanh chóng và chính xác tốc độ rotor nam châm vĩnh cửu, điều khiển tải điện của đầu phát bằng cách điều khiển điện áp của máy phát chứ không phải tốc độ thực tế. Việc vận hành theo tốc độ thay đổi này giúp giảm tiếng ồn, giảm đáng kể mức tiêu hao nhiên liệu và tăng tuổi thọ động cơ.
MEC 12-75 VDC, khi được kết nối với bộ truyền động tỷ lệ và được cung cấp tín hiệu điện áp từ củ phát điện một chiều, sử dụng điện áp một chiều để điều khiển tốc độ thay vì tốc độ động cơ thực tế. Nó hỗ trợ nhiều loại động cơ nhỏ.
Bộ điều khiển MEC 12-75 VDC dễ dàng ghép nối với thiết bị truyền động GAC ALN-, ALR- hoặc 120-Series và hỗ trợ cả 12 và 24 V DC.
Các lợi ích về tốc độ thay đổi:
- Điện áp đầu ra PMG ổn định trên phạm vi tải
- Đánh giá toàn bộ kW của PMG có sẵn để sử dụng
- Đánh giá kW động cơ có thể được tối ưu hóa
- Hiệu quả cao hơn đạt được
- Giảm nguy cơ điện áp không tải cao
MECC ALTE VIỆT NAM
Địa chỉ: Cầu Sài Gòn, Chung cư L4, Khu Vinhomes Tân Cảng, Điện Biên Phủ, Phường 22, Bình Thạnh, Thành phố Hồ Chí Minh.
Trang web: https://cuphatdien.com/
Điện thoại: 0931 004 606
Email: meccaltevn@gmail.com









Đánh giá
Chưa có đánh giá nào.