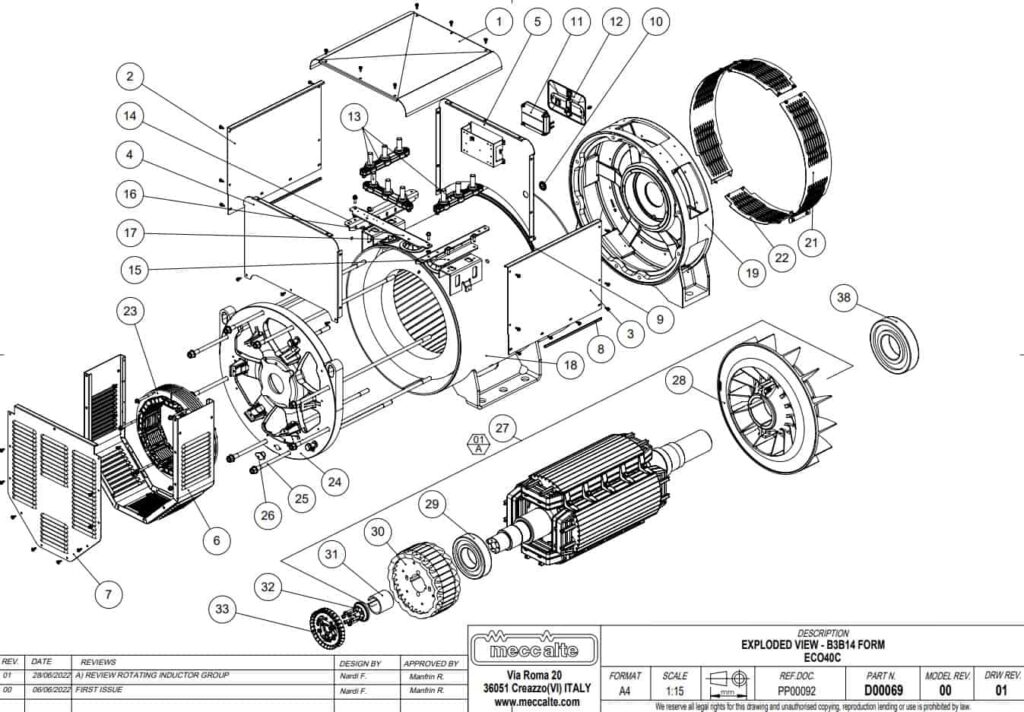
Phụ tùng củ phát điện ECO40 Mecc Alte từ 400kVA đến 900kVA

Phụ tùng củ phát điện ECO40 4 cực 3 pha

  • Phụ tùng củ phát điện ECO40 các models:
    • ECO40 4 cực 3 pha: 1S4, 2S4, 3S4, 1L4, 2L4, 3L4, VL4
  • Xuất xứ: Ý
  • Thời gian bảo hành: 6 tháng
  • Chứng từ kèm theo:
ZALO 0931504606
Danh mục: