Phụ tùng củ phát điện ET sử dụng cho 3 loại gồm ET 2 cực 1 pha. Với công suất từ 5,5kVA/ 6kVA đến 13,5kVA/ 15kVA.
Các chứng từ chính hãng khi mua phụ tùng Mecc Alte củ phát điện ET
Các chứng từ kèm theo khi mua phụ tùng củ phát điện ET meccalte bao gồm:
- Chứng nhận chất lượng của phụ tùng củ phát điện E T (CQ).
- Chứng nhận xuất xứ của phụ tùng củ phát điện E T (CO).
- Chứng nhận xuất nhập khẩu của phụ tùng củ phát điện E T.
- Tem bảo hành của phụ tùng củ phát điện E T.
Mecc Alte Việt Nam là đại lý uỷ quyền chính hãng của Mecc Alte chuyên cung cấp củ phát điện các loại, phụ tùng củ phát điện, bộ điều khiển các loại, bộ sạc ắc quy và các dịch vụ chuyên dụng.
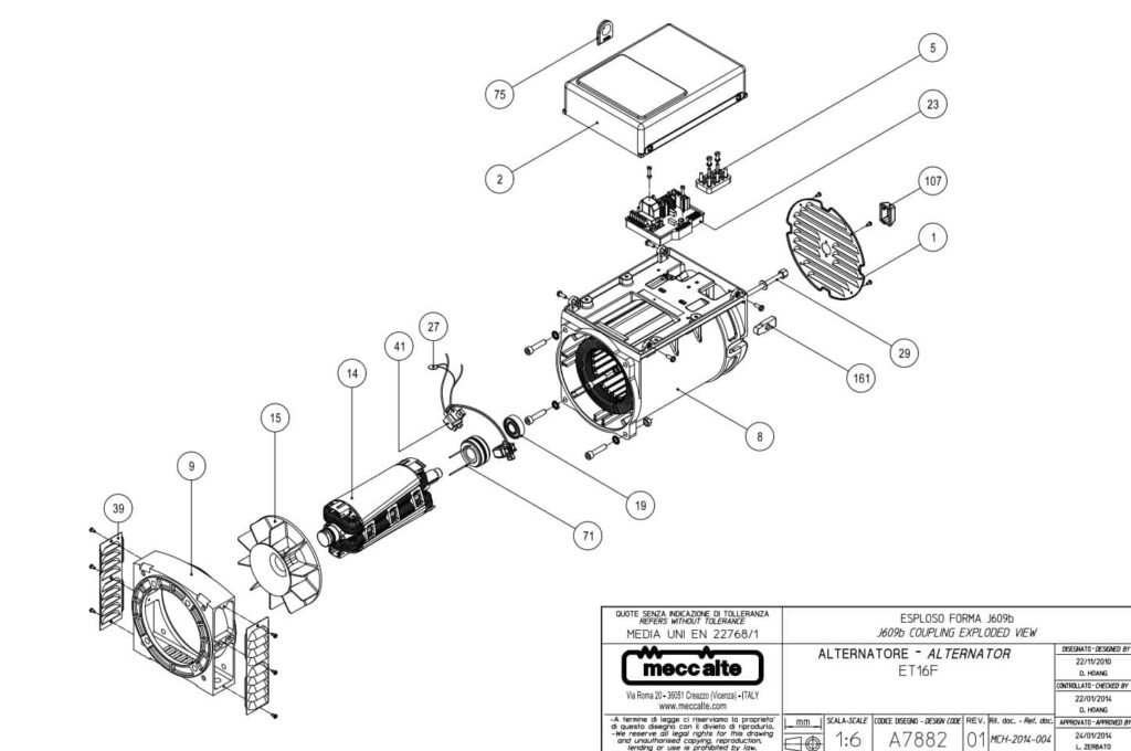
Tên phụ tùng, vị trí và mã số phụ tùng củ phát điện Mecc Alte E T
Tên phụ tùng củ phát điện Mecc Alte E T (vị trí) | Mã phụ tùng củ phát điện Mecc Alte E T |
| Ốp sau đầu phát điện – (1) | 9903906150 |
Nắp hộp đầu cuối bằng kim loại – (2) | 9903906156 |
| Nắp hộp đầu cuối bằng nhựa – (2) | 9903906370 |
RCM2 – (5) | 9909915060 |
| Giá đỡ và Stato 5,5kVA (230/400 V, 50 Hz) – (8) Giá đỡ và Stato 6,5kVA (230/400 V, 50 Hz) – (8) Giá đỡ và Stato 9kVA (230/400 V, 50 Hz) – (8) Giá đỡ và Stato 11,5kVA (230/400 V, 50 Hz) – (8) Giá đỡ và Stato 13,5kVA (230/400 V, 50 Hz) – (8) | |
Giá đỡ cuối ổ đĩa B9 – (9) | |
Giá đỡ cuối ổ đĩa B14 – (9) | 6102208405 |
| Rotor 5,5kVA (130) – (14) Rotor 6,5kVA (160) – (14) Rotor 9kVA (200) – (14) Rotor 11,5kVA (FS-160) – (14) Rotor 13,5kVA (F-160) – (14) | |
Quạt – (15) | 9909514058 |
| Vòng bi trước 6205-2RS – (17) | 9900905055 |
Vòng bi sau 6203-2Z C3 – (19) | 9900903030 |
| Bộ điều chỉnh điện tử ASR – (23) | 4505005150 |
Tụ chống sét – (27) | 9910384007 |
| Đinh tán an toàn – (29) | |
Màn bảo vệ – (39) | 9903907147 |
| Cụm bánh răng bàn chải ET / ES với tụ chống sét x ASR – (41) | 6101501043 |
Cụm bánh răng bàn chải ET / ES không có tụ chống sét x ASR – (41) | 6101501022 |
| Vòng trượt 50x22x8 – (71) | 9909918015 |
Miếng đệm cao su – (107) | 9909505005 |
| Nắp cao su – (161) | 9909509050 |
Tham khảo: Phụ tùng ES
Tham khảo: Phụ tùng TF
MECC ALTE VIỆT NAM
Địa chỉ: Cầu Sài Gòn, Chung cư L4, Khu Vinhomes Tân Cảng, Điện Biên Phủ, Phường 22, Bình Thạnh, Thành phố Hồ Chí Minh.
Trang web: https://cuphatdien.com/
Điện thoại: 0931 004 606
Email: meccaltevn@gmail.com




Đánh giá
Chưa có đánh giá nào.